×
CN
EN
Русский язык
首页
走进嘉和
关于嘉和
荣誉资质
嘉和文化
社会责任
合作伙伴
组织框架
嘉和动态
公司要闻
媒体报道
特泵解决方案
服务领域
应用案例
碳中和
解决方案
嘉和优势
技术专利
可持续发展
联系我们
联系方式
招贤纳士
资源下载
招标公告
技术专利
可持续发展
分享
返回列表
嘉和优势
可持续发展
2023-09-21
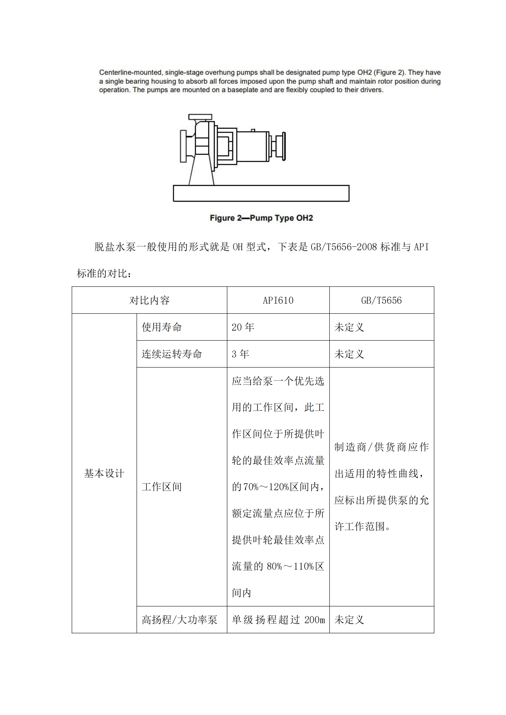
API 标准在脱盐水泵设计中的应用
上一篇:
大流量高温浓硫酸循环泵的成功应用
下一篇:
带分流叶片水泵水轮机转子强度及模态分析
返回列表